Übersicht Service   Was ist neu? Tech-News   Suche Kontakt Sitemap  
kfztech.de Kfz-Technik Abkürzungs-ABC Auto Infos   Unterricht Ausbildung


Fahrwerk

Das Antiblockiersystem - ABS  Hydraulik (2)

ABS - Aufbau, Funktion, Physik

ABS - Hydraulik

ABS - Elektrik

Die Hydraulik des Antiblockiersystems (ABS) wird an einem Beispiel mit Schema Bildern von AUDI aufgezeigt. 

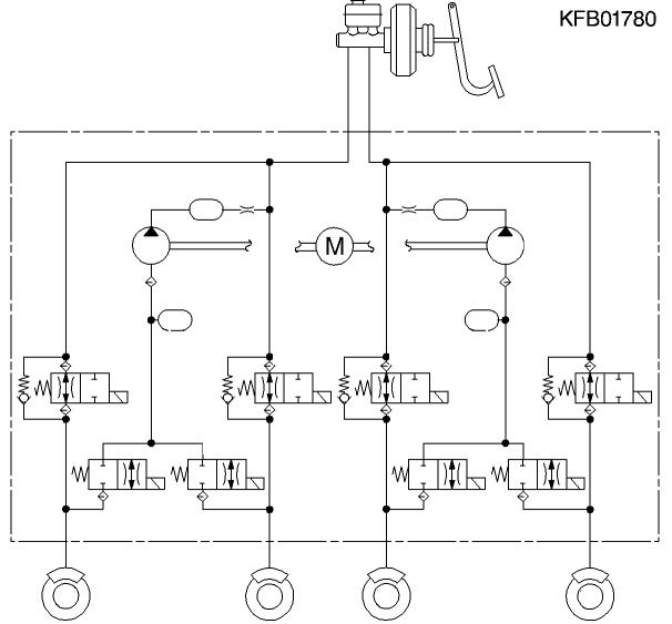
ABS von Teves für AUDI mit Elektronischer Differenzialsperre (EDS) und Elektronischer Bremskraftverteilung (EBV) mit 2/2 Wegeventilen

Druckhaltephase

Bei Blockiertendenz des Rades wird zur Vermeidung einer weiteren Erhöhung des Bremsdrucks das Einlassventil mit Spannung versorgt und dadurch geschlossen.

Das Auslassventil bleibt spannungslos und dadurch ebenfalls geschlossen.

Der Bremsdruck zwischen Einlass- und Auslassventil bleibt konstant.

ABS Druckhalten
ABS Druckhaltephase

Druckabbauphase

Fällt die Drehzahl des Rades weiter ab, obwohl der Bremsdruck konstant gehalten wurde und besteht weiterhin eine Blockiertendenz, muss der Bremsdruck gesenkt werden.

Dazu wird das Auslassventil mit Spannung versorgt und dadurch geöffnet. Der Bremsdruck wird über den Niederdruckspeicher abgebaut.

Das Einlassventil wird weiterhin mit Spannung versorgt und bleibt somit geschlossen.

Die Hydraulikpumpe läuft an und fördert aus dem Niederdruckspeicher Bremsflüssigkeit in den Hauptbremszylinder. Das Bremspedal bewegt sich etwas nach oben.

Das blockiergefährdete Rad wird wieder beschleunigt und gewinnt an Drehzahl.

ABS Druckabbau
ABS Druckabbauphase

 

Druckaufbauphase

Für eine optimale Bremsung ist ab einer bestimmten Drehzahl des Rads wieder ein Druckaufbau erforderlich. 

Das Einlassventil wird spannungslos geschaltet und somit geöffnet. 

Das Auslassventil wird ebenfalls spannungslos geschaltet und dadurch geschlossen.

Die Hydraulikpumpe läuft weiter, saugt die restliche Bremsflüssigkeitsmenge aus dem Niederdruckspeicher und fördert sie in den Bremskreis als Hydraulischer Bremskraftunterstützung. 

Mit Zunahme des Bremsdrucks wird das Rad erneut abgebremst und die Drehzahl des Rades nimmt wieder ab.

ABS Druckaufbau
ABS Druckaufbauphase

Diese Regelphasen wiederholen sich bis ca. 5-6 mal pro Sekunde.

ABS Hydraulik Audi

System-Übersicht des ABS von AUDI

Im folgenden Beispiel (ABS 2 Audi 100/200) werden 3/3-Wegeventile verwendet.

wegeventil druckaufbau

Druckaufbau

Wegeventil Druck halten

 

Druck halten

ABS Hydraulik Druckabbau

 

Druckabbau

ABS Hydraulik 

Die Bremse ist in Ruhestellung. Alle Räder können mit Druck beaufschlagt werden. Bei Ausfall des ABS befinden sich die Magnetventile N 137 bis N 140 durch die Federkraft in Ruhestellung. Die Ventile N 125 und N 126 gehören zur EDS.

BOSCH ABS 5 - Diagonale Bremskreisaufteilung

 

ABS 5

ABS 5 -  Jedes Rad verfügt über je ein Ein- und Auslassventil (2/2-Wegeventile)

 

Ansteuerung der Ventile:  
bei Druckaufbau: EV offen, AV geschlossen; beide stromlos
bei Druckhalten: EV geschlossen, bestromt; AV geschlossen stromlos
bei Druckabbau: EV geschlossen, bestromt; AV offen, bestromt
 

Impressum, Copyright        

Autor: ohannes Wiesinger

geändert: 29.12.2022