| 
			
				| 
				 | Klemmenbezeichnungen in 
	  Kfz-Schaltplänen |   
				Kfz-Elektrik 
				| Lernfeld 3 |  Klemmenbezeichnungen (Ziffern und 
		Buchstaben) dienen in der 
		Kfz-Elektrik dazu, das Anschließen von Leitungen zu 
		vereinfachen. Sie helfen aber auch bei der Fehlerdiagnose mittels 
		Schaltplan sowie beim Zurechtfinden in Kfz-Schaltplänen. 
		Klemmenbezeichnungen findet man an den Bauteilklemmen und in 
		Schaltplänen. Die Klemmenbezeichnungen für Kraftfahrzeuge sind in 
		Deutschland nach der DIN 72552 genormt. Aber auch abweichende, 
		herstellerspezifische Bezeichnungen werden verwendet.
 
   Die Klemmenbezeichnungen kennzeichnen nicht die 
		Leitung, sondern dessen Ende, die Anschlussklemme. An den beiden Enden 
		einer Leitung können Bauteile mit derselben oder mit unterschiedlichen 
		Klemmenbezeichnungen angeschlossen sein.
   
		  Wo wird was agneschlossen? - In der 
		Kfz-Elektrik können Klemmenbezeichnungen manchmal hilfreich sein - Bild:
		depositphotos.com  Wichtig hierzu auch:
   Klemmenbezeichnungen nach 
		Kategorien
  Zündanlage
  1 - Klemme an der Zündspule, Kabel zum 
			Unterbrecherkontakt bzw. zum Zündschaltgerät
4 - Hochspannungsleitung von der Zündspule zum Zündverteiler
 4a - 
			Zündspule I Klemme 4 (bei mehreren Zündspulen bzw. sekundärer 
			Ausgang bei Zündtransormatoren wie Doppelzündspulen)
 7 - 
			Induktivgeber Signal bzw. Hallgeber Signal
 8h - 
			Spannungsversorgung des Hallgebers
 4b - Zündspule II Klemme 4 
			(bei mehreren Zündspulen)
 16 - Eingangsklemme am Zündschaltgerät (veraltet)
 31d - Minus bei 
			Hallgeber- bzw. Induktivgebersignal
  Spannungsversorgung 
			(Batterie, Zündschloss) 15 - geschaltetes Plus vom Zündstartschalter, 
			"Zündung ein",IG - Zündung (von Ignition, andere Bezeichnung für 
			Klemme 15, herstellerspezifisch)
 15a - Ausgang am Vorwiderstand zu Zündspule und Starter
 15r - Zündschloss-Radiostellung
 X - Zündung/Klemme15, daran angeschlossene Einrichtungen, wird beim 
			Anlassvorgang zur Entlastung der Batterie abgeschaltet, 
			herstellerspezifisch z.B. VW
 29 - Batterie-Plus, hinten, m. Crash-Abschaltung
 29a - Batterie-Plus abgesichert, hinten, m. Crash-Abschaltung
 30 - Batterie-Plus. direkt von der Batterie
 30a - Batterie-Plus, von 2. Batterie, (Batterieumschaltgerät 12/24 V)
 30f - Kl. 30, Abschaltung bei schwacher Batterie
 30g - geschaltete Plusleitung direkt von der Batterie - nicht zu verwechseln 
			mit Klemme 15
 30L - Dauerplus
 30t - Kl. 30 für Transportmodus
 ACC - Accumulator oder Accessory (Zubehör), geschaltet über 
			Zündschlüsselstellung. Reiner Batteriebetrieb, noch vor Zündung 
			Klemme 15 (herstellerspezifisch)
 31 - Batterie-Minus, direkt von der Batterie bzw. Fahrzeugmasse
 31a - Batterie-Minus 2. Batterie
 31b - geschaltete Masse-/Minusklemme
 40 - Plusleitung von 48V-Batterie
 41 - Minusleitung von 48V-Batterie
 R - Radio (Zündschlüsselstellung, herstellerspezifisch)
br>SST - Starter (Anlasser – Zündschlüsselstellung, herstellerspezifisch)
  
			   
			Zündschloss mit Klemme 30, 15 und 50  Vorglühanlage
  17 - Glühanlage - starten
19 - Glühanlage - vorglühen
  Elektromotoren
  32 - Rückleitung Elektromotor
33 - Hauptanschluss Elektromotor
 33a - Endabschaltung Elektromotor
 33b - Nebenschlussfeld Elektromotor
 33f - für zweite kleinere Drehzahlstufe Elektromotor
 33g - für dritte kleinere Drehzahlstufe Elektromotor
 33h - für vierte kleinere Drehzahlstufe Elektromotor
 33L - Drehrichtung links Elektromotor
 33R - Drehrichtung rechts Elektromotor
  Blinkanlage
  49 - Eingang Blinkgeber
49a - Ausgang Blinkgeber
 49b - Ausgang zweiter Blinkgeber
 49c - Ausgang dritter Blinkgeber
 C - Kontrollleuchte für Fahrtrichtungsanzeiger
 C0 - Hauptanschluss für vom Blinkgeber getrennte Kontrollleuchte
 C2 - zweite Kontrollleuchte (für Fahrtrichtungsanzeiger am Anhänger)
 C3 - dritte Kontrollleuchte (für Fahrtrichtungsanzeiger am zweiten Anhänger)
 L - Blinker links
 R - Blinker rechts
  
		  Blinkgeber Klemmen  Startschalter /Starter 50 - Startinformation am Starter
50A - Startinformation an Batterieumschalter 12/24V
  Generator
  51 - + Gleichrichter am Generator
61 – (auch D+) an der Ladekontrollleuchte
 B+ - Batterieplus am Drehstromgenerator
 B- - Batterieminus am Drehstromgenerator
 D+ - Dynamoplus, (auch Klemme 61 an der Ladekontrollleuchte)
 D- - Dynamominus
 DF - Dynamofeld am Generatorregler (Reglerspannung)
 DFM - Dynamo Feld 
		Monitor, Generatorsignal (Auslastungsgrad), bei Multifunktionsreglern
 L - Lampen-bzw. Relasiendstufe, bei Multifunktionsreglern
 S - 
		Batterie Sensing bei Multifunktionsregler
 W - Drehzahlsignal am Drehstromgenerator
 U, V, W, Ständerwicklungen Ausgang Drehstromgenerator
  Scheibenwischer
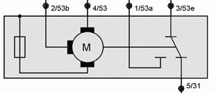
  53 - Wischermotor
53a - Scheibenwischer (+), Endabschaltung
 53b - Scheibenwischer (Nebenschlusswicklung)
 53c - Scheibenwaschpumpe
 53e - Scheibenwischer (Bremswicklung)
 53i - Wischermotor mit Permanentmagnet und dritter Bürste (hohe 
		Geschwindigkeit)
 WW - Wisch/Wasch (zum Beispiel am Heckscheibenwischer, 
		herstellerspezifisch)
 INT - Intervall (Heckscheibenwischer, herstellerspezifisch)
  
		  Wischermotor Klemmenbelegung (VW)  Beleuchtung
  54 - Bremslicht
54f - Bremslicht über (Tarn-)Lichtschalter
 54g - Nebelschlussleuchte
 54L - Brems-Blinkleuchte links
 54R - Brems-Blinkleuchte rechts
 S54 - Tarn-Bremslicht (militärisch)
 55 - Nebelscheinwerfer
 56 - Lichtschalter Ausgang (Stufe 2), Eingang 
		Abblendschalter
 56a - Fernlicht und Kontrolleuchte
 56b - 
		Abblendlicht
 56d - Lichthupe
 S56 - Tarnlicht vorne (militärisch)
 57a - Parklicht
 57L - Parklicht links
 57R - Parklicht rechts
 58 - Begrenzungs- , Kennzeichen-, Instrumenten-, Schlussleuchten
 58b - Schlusslichtumschaltung bei Einachsschleppern
 58c - 
		Anhängersteckvorrichtung, einadrig verlegtes und im Anhänger 
		abgesichertes Schlusslicht
 58d - Regelbare Instrumentenbeleuchtung
 58g - Gedimmte Innenbeleuchtung
 58L - Lichtschalterklemme f. linke Begrenzungs- u. Schlussleuchten, wenn 
		getrennt schaltbar
 58R - Lichtschalterklemme f. rechte Begrenzungs- u. Schlussleuchten, 
		wenn getrennt schaltbar, Kennzeichenleuchte
 S58 - Tarnlicht hinten(militärisch)
 S58b – Leitkreuz (militärisch)
  
		  Abblendschalter und Lichtschalter  Akustische Einrichtungen / Sondereinrichtungen   71 - Horn
71a - Tiefton-Horn bei Folgetonhorn („ta“)
 71b - Hochton-Horn bei Folgetonhorn („tü“)
 72 - Rundumkennleuchte
 76 - Lautsprecher Schalter
  Schalter 81 - Eingang am Schalter (Wechsler/Öffner)
		81a - 1.Ausgang am Schalter (Wechsler/Öffner)
 81b - 2.Ausgang am Schalter (Wechsler/Öffner)
 82 - Eingang am Schalter (Schließer)
 82a - Erster Ausgang am Schalter (Schließer)
 82b - Zweiter Ausgang am Schalter (Schließer)
 83 - Eingang am Schalter (Mehrstufenschalter)
 83a - Erster Ausgang am Schalter (Mehrstufenschalter)
 83b - Zweiter Ausgang am Schalter (Mehrstufenschalter)
  Kfz-Relais
  84 - Eingang Stromrelais, Antrieb/Relaiskontakt
84a - Ausgang Stromrelais, Antrieb (Rundumkennleuchte links)
 84b - Ausgang Stromrelais, Relaiskontakt (Kontrollleuchte Rundumkennleuchte 
		links)
 84c - Ausgang Stromrelais, Antrieb (Rundumkennleuchte rechts u.a.)
 84d - Ausgang Stromrelais, Relaiskontakt (Kontrollleuchte 
		Rundumkennleuchte rechts u.a.)
 85 - Ausgang Schaltrelais, Steuerstromkreis am Relais
 85c - Einschaltsignal für Tonfolgerelais
 86 - Eingang Schaltrelais, Steuerstromkreis am Relais
 86s - Eingang Schaltrelais Alarmanlage
 87 - Eingang Arbeitsstromkreis am Relais (Öffner/Wechsler)
 87a - Ausgang Arbeitsstromkreis am Relais (Öffner/Wechsler)
 88 - Eingang Arbeitsstromkreis am Relais (Schließer)
 88a - Ausgang Arbeitsstromkreis am Relais (Schließer)
 88b - Ausgang Arbeitsstromkreis am Relais (Schließer, verbindet auch mit 
		88a)
  
		 Relais 
		Stecker     Sonstiges 52 - Signal vom Anhänger75 - Autoradio / Zigarettenanzünder
 77 - Türventilsteuerung
  Um sich in Kfz-Schalplänen zurecht zu finden, dient 
		auch die Kenntnis der Schaltzeichen. Sehr nützlich ist auch die Datenbank der individuellen Sicherungskasten- 
		und Relaisbelegung auf CarWiki.de.
  Lesen sie auch: 
		Alles, was Sie über KFZ-Steckverbinder wissen müssen: Funktionen, Arten und Anwendungen  Quellen: DIN, Bosch, 
		Wikipedia,
  
 
 
 Autor: Johannes 
		Wiesinger
 
 bearbeitet:
 
 
 
 |