Logo kfztech.de
Was ist neu? Kfz-Blog Suche Tech-News Kontakt   Zeuschners
kfztech.de Kfz-Technik Abkürzungs-ABC Auto Infos kfztech TV Unterricht Ausbildung
 

Kfz-Elektrik

Moderne Generatoren mit Multifunktionsregler

mit Multifunktionsregler MFR von Bosch

Lima-shop.de - Lichtmaschine günstig kaufen Foto: Bosch

 

Der Drehstromgenerator hat während des Betriebes des Kraftfahrzeugs die Aufgabe die elektrischen Verbraucher mit Energie zu versorgen und die Starterbatterie zu laden

Leistungsbedarf Pkw

Der elektrische Leistungsbedarf eines Pkw liegt heute zwischen 400 und 1600 W, teilweise schon bei 2000 W. Dies liegt an den steigenden Anforderungen an die Sicherheits- und Komfortfunktionen. Außerdem muss auch bereits an künftige, komplexe Systeme, wie beispielsweise elektromotorische Ventilbetätigung, E-Lenkung oder E- Bremsen  gedacht werden. Um den gerecht zu werden, sind besonders effiziente Generatoren und Regler mit der Möglichkeit zum Batterie- und Verbrauchermanagement erforderlich. Gleichzeitig dürfen diese Generatoren aber nicht größer, schwerer oder lauter werden.

 Generator von Bosch der Reihe Li-E

alle Bilder BOSCH - Generator der Baureihe Li-E von BOSCH und seine Hauptbaugruppen; 1 = Antriebslagerschild, 2 = Läufer mit Erregerwicklung, 3 = Ständer mit 3 Ständerwicklungen, 4 = hinteres Lagerschild mit Diodenplatte, 5 = Multifunktionsregler

Die modernen Compact-Generatoren für die elektrische Versorgung von Pkws sind mit äußerst variablen Multifunktionsreglern ausgestattet. Diese ermöglichen eine Vielzahl von nutzbringenden Funktionen beim Betrieb des Generators.

Eine davon ist das so genannte Batterie-Sensing, bei dem die Ladespannung zwischen Generator und Autobatterie optimiert wird. Diese ist ebenso wichtig für einen einwandfreien Startvorgang, wie die ebenfalls durch den Regler gelenkte Ruhestromabschaltung für die Reduzierung des Batterieverbrauches auf Minimalwert beim Ausschalten des Fahrzeugs eine entscheidende Rolle spielt.

Die heutigen Fahrzeugbatterien erzielen insgesamt durch die Multifunktionsregler eine wesentlich bessere Leistungsbilanz.
 

 

Merkmale neuer Generatoren

Drehstromgeneratoren der EL-Baureihe zeichnen sich durch 

  • hohe Stromabgabe bis 210 A bei 6000 1/min (115 A bei 1800 1/min) 

  • mehr Leistung (bis zu 25%; Baureihe Li - X: 3,8 kW) 

  • größeren Wirkungsgrad (bis zu 77%) mit Hochleistungsdiode

  • bei gleicher bzw. geringerer Größe, 

  • weniger Kraftstoffverbrauch (0,1 bis 0,5 l/100 km,  2% weniger CO2) und 

  • geringerem Laufgeräusch 94dB

aus.  Das E bei Li-E steht für Effizienz. Entscheidend ist, dass der Generator bereits bei einer Motordrehzahl von 2000 1/min bis zu 180 A abgeben kann.

Die neuen Generatoren besitzen keine herkömmlichen Leistungsdioden, sondern Leistungszenerdioden. Diese schützen in Verbindung mit dem Multifunktionsspannungsregler das Bordnetz vor energiereichen Überspannungen.

Übrigens, um 0,1 l Kraftstoff auf 100 km weniger zu verbrauchen müsste man ein Mittelklasseauto um 50 kg leichter bauen. 

Die neuen Generatoren-Baureihe LI-X von Bosch sind seit 2004 im Einsatz.

Sie  weisen eine besonders hohe Dichte der Kupferdrähte in der Ständerwicklung auf.

Dadurch steigt wesentlich die elektrische Leistung, gleichzeitig wurde der Generator nochmals kompakter.

 

 

 

 

 

 

Bild eines Bosch Compact-Generators im Schnitt

Compact Generator im Schnitt

Multifunktionsregler

In der Serienausrüstung von Pkw und Nkw hat der Monolithregler (1 Chip-Regler) heute den Hybridregler weitgehend ersetzt. Diese Monolithregler werden mit einer Vielzahl von neuen Funktionen eingesetzt. Diese Multifunktionsregler (MFR) werden heute in allen neuen Compact-Generatoren von Bosch angebaut.

 

Multifunktionsregler

Multifunktionsregler 

1. Steckergehäuse für Kabelbaumstecker

2. Kühlkörper

3. Bohrungen für Reglerbefestigung am Generator; dient auch als Regler Masseverbindung

4. Integrierter Kohlebürstenhalter

5. Anschluss an Generator B+, zum Abgriff von Reglerspannung und für Erregerstrom

6. Kohlebürsten

7. Reglerbaustein

8. Anschluss für Generatorphase V; zur Erkennung "Generator dreht"

 

 

Gegenüber herkömmlichen Generatorreglern bieten Multifunktionsregler zusätzliche Funktionen an:

Multfiunktionsregler

(Bild Multifunktionsregler)

Beschreibung der wichtigsten Funktionen des Multifunktionsreglers

Batterie-Sensing

Bei Batterie-Sensing erfolgt die Spannungsregelung über die Anschlussklemme "S", die vorzugsweise direkt an Batterie "+" angeschlossen wird. Zwischen Generator B+ und Batterie "+" existiert grundsätzlich eine Spannungsdifferenz. Durch die Spannungserfassung direkt an der Batterie wird die Ladespannung der Batterie optimiert.

Gesteuerte Vorerregung Der Vorerregerstrom wird vom Regler gesteuert und sichert so eine optimale Erregung des Generators. Nach Einschalten des Fahrschalters taktet die Reglerendstufe. Das Tastverhältnis wird so gewählt, dass die jeweils minimal mögliche Angehdrehzahl des Generators sichergestellt ist. Bei Pkw erhält der Regler die Information "Fahrschalter Ein" über den Anschluss "L", bei Nkw über den Anschluss "15". In beiden Fällen bleibt das Anzeigeelement bis zum Ende der Vorerregung aktiv.
Ruhestromabschaltung

Im Betriebszustand "Fahrschalter AUS" wird die Stromaufnahme des Reglers auf seinen Minimalwert reduziert.

Filterung störender Eingangssignale Alle elektrischen Verbindungen des Reglers werden über das Leistungs-IC geführt. Es filtert Störungen aus und bereitet Signale auf, wenn dies erforderlich ist.
Erkennung "Generator dreht" Durch Auswertung der Phasenspannung wird ab einem bestimmten Spannungspegel erkannt, dass sich der Generator dreht. Bei Abfall des Steckers und somit fehlender Vorerregung, wird durch Notanlauf die Erregung des Generators sichergestellt.
Notregelung

Bei Unterbrechung der Batterie-Sense-Leitung erfolgt die Regelung automatisch über B+ des Generators.

 

Übertemperaturschutz Zum Schutz des Reglers vor thermischer Zerstörung wird die Temperatur auf dem IC gemessen. Bei Überschreitung einer Obergrenze wird die Regelspannung abgesenkt.
Load-response Funktionen Es werden zwei Load-response-Funktionen unterschieden. Beide steuern die Lastzuschaltung der elektrischen Verbraucher. Beim Startvorgang und während des Fahrbetriebes. Diese Funktionen kommen nur bei Multifunktionsreglern für den Pkw-Bereich zur Anwendung.

 

Load-response-Diagramm:

Load - Response

Load-response Start (LRS)

Diese Funktion verhindert, dass der Generator während und unmittelbar nach dem Start Strom abgibt. Somit wird der Startvorgang nicht durch das bremsende Moment des Generators erschwert oder verlängert.

Load-response Fahrt (LRF)

Diese Funktion bewirkt, dass positive elektrische Laständerungen, mit einem damit verbundenen steilen Drehmomentanstieg des Generators, nicht direkt an den Antriebsmotor weitergeleitet werden. Die Leistungsabgabe des Generators wird daher über eine Rampenfunktion kontinuierlich gesteigert. Man spricht hier auch von einer "weichen Lastzuschaltung".

 

Beschreibung von 3 wichtigen Anschlussklemmen:

Anschluss L (blaues Kabel)

  • Der Anschluss "L" steuert je nach Betriebszustand des Generators und des Bordnetzes die Anzeige - Elemente bei gefundenen Fehlern über die Lampenendstufe

  • oder die Zuschaltung von Verbrauchern (load response) über die Relaisendstufe während des fehlerfreien Generatorbetriebes. 

Je nach Betriebsart fließen über den Anschluss "L" Ströme in den Regler hinein oder heraus.

Fehlererkennung

Während des gesamten Generatorbetriebs werden vom Regler ständig Signale ausgewertet und mögliche Fehler erkannt. Bei einem erkannten Fehler wird die Lampen - und die Relaisendstufe durch einen entsprechenden Steuerblock angesteuert.

Erkannt werden folgende Fehler

Generatorfehler:

  • Keilriemenbruch

  • Unterbrechung im Erregerkreis

  • Kurzschluss oder Masseschluss der Erregerwicklung

  • Reglerfehler: Endstufe unterbrochen oder kurzgeschlossen, Freilaufkreis unterbrochen

  • Bordnetzfehler: Überspannung im Bordnetz, Unterbrechung der Senseleitung, Unterbrechung der Ladeleitung "B+" Generator / "B+" Batterie

Lampen - und Relaisendstufe

Die Ansteuerung erfolgt durch einen entsprechenden Steuerblock. Die beiden Endstufen sind gegenseitig verriegelt und gegen Überlastung und Kurzschluss geschützt.

  • Die Lampenendstufe ist aktiv, wenn der Generator vorerregt ist oder ein Fehler erkannt wird.

  • Die Ansteuerung der Verbraucher erfolgt über die Relaisendstufe. Diese ist aktiv, wenn im Betrieb die Lampenendstufe inaktiv ist.

Zustand

Pegel Klemme L

Ladekontrolle

Zündung (Kl. 15) aus

low

aus

Zündung an, Motor steht

low

ein

Zündung an, Motor läuft

high

aus

Erregungsunterbrechung

low

ein

Überspannung

low

ein

Keilriemenbruch

low

ein

  Low = 0, 5 V – 1,5 V     High = 8,0 V – 14 V

 

Anschluss DFM (rot/schwarzes Kabel)

Der Anschluss "DFM" (DF - Monitor) gibt ein DFM - Signal aus, das den Auslastungsgrad des Generators wiedergibt. Diese Funktion ermöglicht eine deutliche Verbesserung der Ladebilanz für ein Batteriemanagement. Dabei wird der aktuelle Auslastungszustand des Generators erfasst und geeignete Maßnahmen eingeleitet, wie beispielsweise:

  • Anhebung der Leerlaufdrehzahl

  • Leistungsreduzierung durch Abschalten weniger wichtiger Verbraucher

Das DFM - Signal spiegelt das Tastverhältnis des Erregerstromes. Die Impulsweite ist abhängig vom Arbeitspunkt des Generators (Belastung, Drehzahl und Temperatur). Der Anschluss "DFM" liefert ein Abbild des Signalverlaufs von "DF". Der Anschluss ist gegen Überlastung und Kurzschluss geschützt.

 

DFM Signal

DFM-Signal bei geringer und großer Belastung

Überprüfung durch ein Oszilloskop bei angeschlossenem Empfangsgerät. Zu Beginn der Startphase (Zündung ein, Drehzahl = 0) setzt die getaktete Vorerregung ein, das Tastverhältnis beträgt in dieser Phase ca. 10 – 30%.

Signale

Generatoren der Efficency Line (EL) von Bosch werden mit MFR Reglern oder mit Reglern mit Kommunikationsschnittstelle ausgeliefert. Dies wird an den Signalen deutlich: die Regler liefern entweder ein pulsweitenmoduliertes DFM-Signal oder aber eine Botschaft via LIN Bus.

 

Generator DFM Signal - kfztech.de

Generator DFM Signal eines VW Golf V - kfztech.de

Generator LIN-Signal - kfztech.de

Generator mit LIN-Bus Botschaft bei einem Audi A4 - kfztech.de

Generatoren mit LIN Kommunikation ermöglicht die Regelung nach Sollwerten für ein Drehmomentmanagement

 

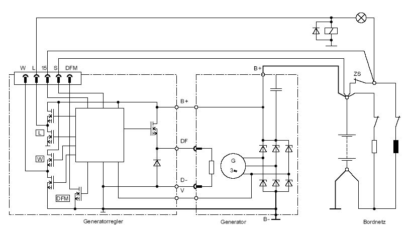
Generator Anschlussmöglichkeiten (Bosch)

Generator Anschlussmöglichkeiten (Bosch)

Anschluss S (Sense)

Über den Anschluss "S" wird die Spannung direkt an "B+" der Batterie als Istwert gemessen. Mögliche Spannungsdifferenzen zwischen Generator "B+" und Batterie "+" werden somit vermieden und die Ladespannung der Starterbatterie optimiert.

Abhängig vom Reglertyp erfolgt bei einer Unterbrechung der Sense - Leitung eine Fehleranzeige. Bei Unterbrechung der Batterie - Sense - Leitung erfolgt die Regelung automatisch über B+ des Generators.

Schaltplan des Generators - ohne Erregerdioden. Die Leistungsdioden sind als Zenerdioden ausgeführt.

 

Autor: Johannes Wiesinger

Mehr zu Generator Demontage, Prüfung, Reparatur und Montage

Ich habe auch einen Beitrag zum modernen Generator im Technikprofi, dem Extraheft von auto, motor und sport veröffentlicht.

Diesen können Sie hier lesen.

Quellen Bild und Text: Bosch, BOSCH-Berufsschulinfos, VW-Service Training, kfztech.de,


Twitter LogoFacebook Logo


Impressum, Copyright        
           

redaktionell bearbeitet: Johannes Wiesinger

geändert: 30.01.2024